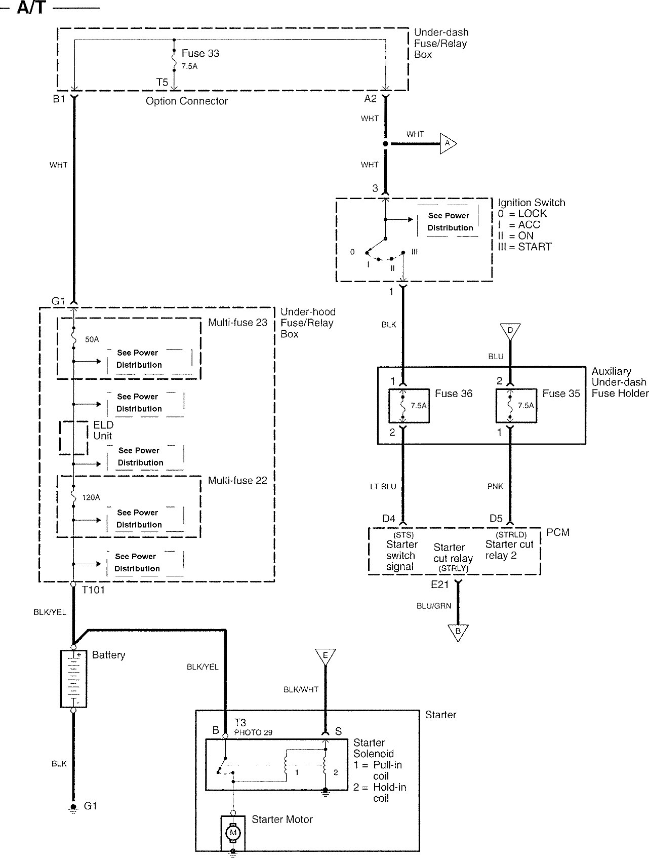
Check Starting System 2008 Acura TL r/Acura

Check Starting System 2007 Acura Tl. Starter Which Relay? AcuraZine Acura Enthusiast Community Check for power to the small wire on the starter while someone turns the key to "start" if it has power then replace the starter. I have had a problem going on for a couple of weeks now

DIY Transmission Position Sensor Replacement for 2007 Acura TL Type S
DIY Transmission Position Sensor Replacement for 2007 Acura TL Type S from acurazine.com

The car is old enough that you may have a corroded positive or negative cable I turned the key again and it started and it displayed a message in the instrument cluster like "check starter system." The car started fine for another week or two, then in the morning 2 weeks.

DIY Transmission Position Sensor Replacement for 2007 Acura TL Type S

The starter should still turn but no fuel will pump - i.e check the battery voltage and make sure it is over 12.4 volts then Check for power to the small wire on the starter while someone turns the key to "start" if it has power then replace the starter.

Q&A Acura TL Neutral Safety Switch Troubleshooting & Solutions. Battery is working fine just say check starting system and won't start Check the voltage drop beween the battery and the starter positive terminal

Q&A Acura TL Neutral Safety Switch Troubleshooting & Solutions. Banging on the starter may reduce the engagement friction enough that the starter will give it a go If you can start in neutral but not park it is the transmission range switch (be sure to repeat to verify).